Té réduit / Raccords rainurés réduits
Présentation du produit
1. Le té réduit rainuré est conçu en fonte ductile.
2. Il adopte de la peinture orange sans plomb.
3. Ces tés de tuyauterie sont conformes aux normes ASTM A536.
4. Ils sont homologué UL et approuvés FM.
Données techniques
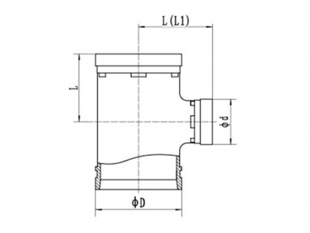
| Taille nominale mm/pouce | Diamètre extérieur du tube mm/pouce | Dimensions | Pression de service (psi) | ||||
| L(mm) | D | d | |||||
| L | L1 | L | mm | mm | |||
| Court | Court ( ) | ||||||
| 50×32 | 60.3×42.4 | 70 | 60 | 42 | 300 | ||
| 2×11/4 | 2.375×1.669 | ||||||
| 50×40 | 60.3×48.3 | 70 | 60 | 48 | |||
| 2×11/2 | 2.375×1.9 | ||||||
| 65× 32 | 73×42.4 | 76 | 73 | 42 | |||
| 21/2x11/4 | 2.875×1.669 | ||||||
| 65× 40 | 73×48.3 | 76 | 73 | 48 | |||
| 21/2x11/2 | 2.875×1.9 | ||||||
| 65× 50 | 73×60.3 | 76 | 73 | 60 | |||
| 21/2x2 | 2.875×2.375 | ||||||
| 65× 32 | 76.1× 42.4 | 76 | 76 | 42 | |||
| 21/2x11/4 | 3× 1.669 | ||||||
| 65× 40 | 76.1× 48.3 | 76 | 76 | 48 | |||
| 21/2x11/2 | 3× 1.9 | ||||||
| 65× 50 | 76.1×60.3 | 76 | 76 | 60 | |||
| 21/2x2 | 3×2.375 | ||||||
| 80× 32 | 88.9× 42.4 | 86 | 89 | 42 | |||
| 3x11/4 | 3.5× 1.669 | ||||||
| 80× 40 | 88.9× 48.3 | 86 | 89 | 48 | |||
| 3x11/2 | 3.5× 1.9 | ||||||
| 80× 50 | 88.9×60.3 | 86 | 89 | 60 | |||
| 3× 2 | 3.5×2.375 | ||||||
| 80×65 | 88.9×73 | 86 | 89 | 73 | |||
| 3x21/2 | 3.5×2.875 | ||||||
| 80×65 | 88.9×76.1 | 86 | 89 | 76 | |||
| 3x21/2 | 3.5×3 | ||||||
| 100×50 | 108×60.3 | 90 | 98* | 102 | 108 | 60 | |
| 4×2 | 4.25×2.375 | ||||||
| 100×65 | 108×73 | 90 | 98* | 102 | 108 | 73 | |
| 4x21/2 | 4.25×2.875 | ||||||
| 100×65 | 108×76.1 | 90 | 98* | 102 | 108 | 76 | |
| 4x21/2 | 4.25×3 | ||||||
| 100×80 | 108×88.9 | 90 | 98* | 102 | 108 | 89 | |
| 4×3 | 4.25×3.5 | ||||||
| 100×32 | 114.3×42.4 | 90 | 98* | 102 | 114 | 42 | |
| 4x11/4 | 4.5×1.669 | ||||||
| 100×40 | 114.3×48.3 | 90 | 98* | 102 | 114 | 48 | |
| 4x11/2 | 4.5×1.9 | ||||||
| 100×50 | 114.3×60.3 | 90 | 98* | 102 | 114 | 60 | |
| 4×2 | 4.5×2.375 | ||||||
| 100×65 | 114.3×73 | 90 | 98* | 102 | 114 | 73 | |
| 4x21/2 | 4.5×2.875 | ||||||
| 100×65 | 114.3×76.1 | 90 | 98* | 102 | 114 | 76 | |
| 4x21/2 | 4.5×3 | ||||||
| 100×80 | 114.3×88.9 | 90 | 98* | 102 | 114 | 89 | |
| 4×3 | 4.5×3.5 | ||||||
| 125×65 | 133×76.1 | 105 | 121 | 133 | 76 | ||
| 5x21/2 | 5.25×3 | ||||||
| 125×80 | 133×88.9 | 105 | 121 | 133 | 89 | ||
| 5×3 | 5.25×3.5 | ||||||
| 125×100 | 133×108 | 105 | 121 | 133 | 108 | ||
| 5×4 | 5.25×4.25 | ||||||
| 125×100 | 133×114.3 | 105 | 121 | 133 | 114 | ||
| 5×4 | 5.25×4.5 | ||||||
| 125×50 | 139.7×60.3 | 105 | 121 | 140 | 60 | ||
| 5×2 | 5.5×2.375 | ||||||
| 125×65 | 139.7×76.1 | 105 | 121 | 140 | 76 | ||
| 5x21/2 | 5.5×3 | ||||||
| 125×80 | 139.7×88.9 | 105 | 121 | 140 | 89 | ||
| 5×3 | 5.5×3.5 | ||||||
| 125×100 | 139.7×108 | 105 | 121 | 140 | 108 | ||
| 5×4 | 5.5×4.25 | ||||||
| 125×100 | 139.7×114.3 | 105 | 121 | 140 | 114 | ||
| 5×4 | 5.5×4.5 | ||||||
| 125×125 | 139.7×133 | 105 | 121 | 140 | 133 | ||
| 5×5 | 5.5×5.25 | ||||||
| 125×50 | 141.3×60.3 | 105 | 121 | 141 | 60 | ||
| 5×2 | 5.563×2.375 | ||||||
| 125×65 | 141.3×73 | 105 | 121 | 141 | 73 | ||
| 5x21/2 | 5.563×2.875 | ||||||
| 125×80 | 141.3×88.9 | 105 | 121 | 141 | 89 | ||
| 5×3 | 5.563×3.5 | ||||||
| 125×100 | 141.3×114.3 | 105 | 121 | 141 | 114 | ||
| 5×4 | 5.563×4.5 | ||||||
| 150×65 | 159×76.1 | 110 | 120* | 130 | 159 | 76 | |
| 6x21/2 | 6.25×3 | ||||||
| 150×80 | 159×88.9 | 110 | 120* | 130 | 159 | 89 | |
| 6×3 | 6.25×3.5 | ||||||
| 150×100 | 159×108 | 110 | 120* | 130 | 159 | 108 | |
| 6×4 | 6.25×4.25 | ||||||
| 150×100 | 159×114.3 | 110 | 120* | 130 | 159 | 114 | |
| 6×4 | 6.25×4.5 | ||||||
| 150×125 | 159×133 | 110 | 120* | 130 | 159 | 133 | |
| 6×5 | 6.25×5.25 | ||||||
| 150×125 | 159×139.7 | 110 | 120* | 130 | 159 | 140 | |
| 6×5 | 6.25×5.5 | ||||||
| 150×50 | 165.1×60.3 | 110 | 120* | 130 | 165 | 60 | |
| 6×2 | 6.5×2.375 | ||||||
| 150×65 | 165.1×76.1 | 110 | 120* | 130 | 165 | 76 | |
| 6x21/2 | 6.5×3 | ||||||
| 150×80 | 165.1×88.9 | 110 | 120* | 130 | 165 | 89 | |
| 6×3 | 6.5×3.5 | ||||||
| 150×100 | 165.1×108 | 110 | 120* | 130 | 165 | 108 | |
| 6×4 | 6.5×4.25 | ||||||
| 150×100 | 165.1×114.3 | 110 | 120* | 130 | 165 | 114 | |
| 6×4 | 6.5×4.5 | ||||||
| 150×125 | 165.1×133 | 110 | 120* | 130 | 165 | 133 | |
| 6×5 | 6.5×5.25 | ||||||
| 150×125 | 165.1×139.7 | 110 | 120* | 130 | 165 | 140 | |
| 6×5 | 6.5×5.5 | ||||||
| 150×50 | 168.3×60.3 | 110 | 120* | 140 | 168 | 60 | |
| 6×2 | 6.625×2.375 | ||||||
| 150×65 | 168.3×76.1 | 110 | 120* | 140 | 168 | 76 | |
| 6x21/2 | 6.625×3 | ||||||
| 150×80 | 168.3×88.9 | 110 | 120* | 140 | 168 | 89 | |
| 6×3 | 6.625×3.5 | ||||||
| 150×100 | 168.3×108 | 110 | 120* | 140 | 168 | 108 | |
| 6×4 | 6.625×4.25 | ||||||
| 150×100 | 168.3×114.3 | 110 | 120* | 140 | 168 | 114 | |
| 6×4 | 6.625×4.5 | ||||||
| 150×125 | 168.3×133 | 110 | 120* | 140 | 168 | 133 | |
| 6×5 | 6.625×5.25 | ||||||
| 150×125 | 168.3×139.7 | 110 | 120* | 140 | 168 | 140 | |
| 6×5 | 6.625×5.5 | ||||||
| 200×65 | 219.1×76.1 | 146 | 174 | 219 | 76 | ||
| 8x21/2 | 8.625×3 | ||||||
| 200×80 | 219.1×88.9 | 146 | 174 | 219 | 89 | ||
| 8×3 | 8.625×3.5 | ||||||
| 200×100 | 219.1×108 | 146 | 174 | 219 | 108 | ||
| 8×4 | 8.625×4.25 | ||||||
| 200×100 | 219.1×114.3 | 146 | 174 | 219 | 114 | ||
| 8×4 | 8.625×4.5 | ||||||
| 200×125 | 219.1×133 | 146 | 174 | 219 | 133 | ||
| 8×5 | 8.625×5.25 | ||||||
| 200×125 | 219.1×139.7 | 146 | 174 | 219 | 140 | ||
| 8×5 | 8.625×5.5 | ||||||
| 200×150 | 219.1×159 | 146 | 174 | 219 | 159 | ||
| 8×6 | 8.625×6.25 | ||||||
| 200×150 | 219.1×165.1 | 146 | 174 | 219 | 165 | ||
| 8×6 | 8.625×6.5 | ||||||
| 250×80 | 273×88.9 | 190 | 273 | 89 | |||
| 10×3 | 10.75×3.5 | ||||||
| 250×100 | 273×108 | 190 | 273 | 108 | |||
| 10×4 | 10.75×4.25 | ||||||
| 250×100 | 273×114.3 | 190 | 273 | 114 | |||
| 10×4 | 10.75×4.5 | ||||||
| 250×125 | 273×133 | 190 | 273 | 133 | |||
| 10×5 | 10.75×5.25 | ||||||
| 250×125 | 273×139.7 | 190 | 273 | 140 | |||
| 10×5 | 10.75×5.5 | ||||||
| 250×125 | 273×141.3 | 190 | 273 | 141 | |||
| 10×5 | 10.75×5.563 | ||||||
| 250×150 | 273×159 | 190 | 273 | 159 | |||
| 10×6 | 10.75×6.25 | ||||||
| 250×150 | 273×165.1 | 190 | 273 | 165 | |||
| 10×6 | 10.75×6.5 | ||||||
| 250×150 | 273×168.3 | 190 | 273 | 168 | |||
| 10×6 | 10.75×6.625 | ||||||
| 250×200 | 273×219.1 | 190 | 273 | 219 | |||
| 10×8 | 10.75×8.625 | ||||||
| 300×150 | 323.9×159 | 220 | 325 | 159 | |||
| 12×6 | 12.75×6.25 | ||||||
| 300×150 | 323.9×165.1 | 220 | 325 | 165 | |||
| 12×6 | 12.75×6.5 | ||||||
| 300×150 | 323.9×168.3 | 220 | 325 | 168 | |||
| 12×6 | 12.75×6.625 | ||||||
| 300×200 | 323.9×219.1 | 220 | 325 | 219 | |||
| 12×8 | 12.75×8.625 | ||||||
| 300×250 | 323.9×273 | 220 | 325 | 273 | |||
| 12×10 | 12.75×10.75 | ||||||
LEDE est spécialisée dans la conception et la fabrication de vannes industrielles et raccords de tuyauterie rainurés. Elle est l'un des principaux fabricants et fournisseurs de té réduit rainuré de haute qualité en Chine. Notre entreprise livre des produits de raccordement de tuyaux et de régulation de débit pour systèmes de protection contre les incendies. Nous proposons différentes tailles de raccords en T pour système de tuyauterie rainurée, conformes aux normes UL, CE, ISO, etc. Adoptant des installations automatisées, en plus d’une riche expérience et expertise dans la fabrication, LEDE fournit le té réduit en fonte ductile de qualité remarquable ainsi que des solutions personnalisées de lutte contre l'incendie et de distribution d'eau selon les exigences spécifiques des clients.
Mèches de réparation Tubeless / Cordes de réparation des pneus sans chambre à air / Mèches de réparation des pneus sans chambre à air
tirerepair-products.fr
Machine à souder bout à bout / Machine de soudage bout à bout / Machine à souder par rapprochement
steelwheelmachines.fr

