Raccord de compression en laiton HS320
Demande de devis
Caractéristiques
- Les matériaux CW602N et CW511L sont disponibles en option.
- Certifié WaterMark.
- Conforme à la norme AS 3688:2016.
Raccord union à compression HS320-001
| TAILLE | D | D1 | L |
| 15C×15C | 12.8 | 12.8 | 29.5 |
| 20C×20C | 19.1 | 19.1 | 34.5 |
| 20C×15C | 19.1 | 12.8 | 32.5 |
Raccord union à compression femelle HS320-002
| TAILLE | D | A | L | L1 |
| 15C×15FI | 12.8 | Rp1/2 | 31.5 | 17 |
| 15C×20FI | 12.8 | Rp3/4 | 33 | 18.5 |
| 20C×20FI | 19.1 | Rp3/4 | 35 | 18.5 |
Raccord union à compression mâle HS320-003
| TAILLE | D | A | L | L1 |
| 15C×15MI | 12.8 | R1/2 | 32.5 | 15 |
| 15C×20MI | 12.8 | R3/4 | 35 | 16.5 |
| 20C×15MI | 19.1 | R1/2 | 35.5 | 15 |
| 20C×20MI | 19.1 | R3/4 | 37 | 16.5 |
Coude à compression HS320-004
| TAILLE | D | D1 | L | H |
| 15C×15C | 12.8 | 12.8 | 27.5 | 27.5 |
| 20C×15C | 19.1 | 12.8 | 28.5 | 29.5 |
| 20C×20C | 19.1 | 19.1 | 31.5 | 31.5 |
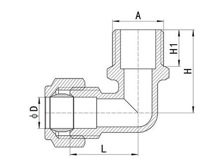
Coude à compression femelle HS320-005
| TAILLE | D | L | A | H | H1 |
| 15C×15FI | 12.8 | 30 | Rp1/2 | 27 | 17 |
| 20C×20FI | 19.1 | 34 | Rp3/4 | 31 | 18.5 |
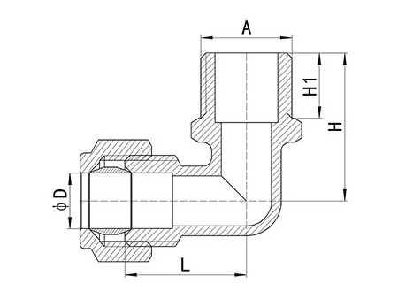
Coude à compression mâle HS320-006
| TAILLE | D | L | A | H | H1 |
| 15C×15MI | 12.8 | 38 | R1/2 | 34 | 15 |
| 15C×20MI | 12.8 | 31 | R3/4 | 36.5 | 16.5 |
| 20C×20MI | 19.1 | 32.5 | R3/4 | 38.5 | 16.5 |
Raccord en T à compression HS320-007
| TAILLE | D | D1 | D2 | L | L1 | H |
| 15C×15C×15C | 12.8 | 12.8 | 12.8 | 27.5 | 27.5 | 27.5 |
| 20C×20C×20C | 19.1 | 19.1 | 19.1 | 31.5 | 31.5 | 31.5 |
| 20C×15C×20C | 19.1 | 12.8 | 19.1 | 28.5 | 28.5 | 30 |
| 20C×20C×15C | 19.1 | 19.1 | 12.8 | 31.5 | 29.5 | 31.5 |
Raccord en T à compression femelle HS320-008
| TAILLE | D | L | A | H | H1 |
| 15C×15FI×15C | 12.8 | 58 | Rp1/2 | 27 | 17 |
| 20C×20FI×20C | 19.1 | 68 | Rp3/4 | 31 | 18.5 |
Coude mural à compression femelle HS320-009
| TAILLE | D | L | A | H | H1 | H2 |
| 15C×15FI | 12.8 | 30 | Rp1/2 | 43 | 27 | 17 |
| 20C×20FI | 19.1 | 34 | Rp3/4 | 50 | 31 | 18.5 |
Coude mural à compression HS320-010
| TAILLE | D | L | A | H | H1 | H2 |
| 15C×15MI | 12.8 | 28 | G1/2 | 75 | 59 | 40 |
Embout d'arrêt à compression HS320-011
| TAILLE | D | L |
| 15C | 12.8 | 17.5 |
| 20C | 19.1 | 20.5 |
Produits relatifs
Commentaires
Autres Produits