Anneau de levage articulé à émerillon
La charge ultime est de 4 fois la limite de charge de travail.
Caractéristiques de la manille oméga
● Il peut fonctionner avec des courroies et chaînes G80, conforme à la norme EN818-2;
● Il a été fabriqué à partir d’un acier allié spécial forgé, de haute intensité et de dureté supérieure, et soumis à un processus de traitement thermique;
● Chaque pièce de travail a réussi aux essais de charge, à savoir 2,5 fois la limite de charge de travail;
● Nous effectuons aussi l’essai de fatigue pour chaque échantillon d’un lot, test de 20 000 cycles;
● Nous réalisons l’essai de résistance à la traction pour chaque échantillon d’un lot de produits;
● Nos produits sont soumis à la détection des défauts par particules magnétiques;
● Toutes les goupilles de sécurité sont testées afin de garantir une dureté uniforme;
● Traitement de surface: Revêtement plastique
● Code couleur: Rouge RAL3020 / Jaune RAL1003.
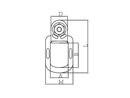
| Code | Poids (kg) | Limite de charge de travail (t) | Charge de rupture (t) | A±1 | B±1 | C | D | E | M±1.5 | L±1.5 | L' ±1.5 | ⌀±0.5 |
| 8-SLR-173-M8 | 0.36 | 0.3 | 1.2 | 35 | 52.5 | 6 | 30 | 13 | 45 | 46 | 10.4 | 14 |
| 8-SLR-173-M10 | 0.38 | 0.63 | 2.52 | 35 | 52.5 | 6 | 30 | 17 | 45 | 52 | 15.4 | 14 |
| 8-SLR-173-M12 | 0.71 | 1 | 4 | 40 | 54 | 8 | 36 | 19 | 68 | 62 | 18 | 18 |
| 8-SLR-173-M14 | 0.72 | 1.2 | 4.8 | 40 | 54 | 8 | 36 | 19 | 68 | 66 | 21 | 18 |
| 8-SLR-173-M16 | 0.74 | 1.5 | 6 | 40 | 54 | 8 | 36 | 19 | 68 | 70 | 24 | 18 |
| 8-SLR-173-M18*26 | 1.16 | 2 | 8 | 54 | 80 | 12 | 50 | 30 | 83 | 83 | 26 | 16 |
| 8-SLR-173-M20 | 1.19 | 2.5 | 10 | 54 | 80 | 12 | 50 | 30 | 83 | 88 | 30 | 16 |
| 8-SLR-173-M20*55 | 1.12 | 2.5 | 10 | 54 | 80 | 12 | 50 | 30 | 83 | 113 | 55 | 16 |
| 8-SLR-173-M20*60 | 1.25 | 2.5 | 10 | 54 | 80 | 12 | 50 | 30 | 83 | 118 | 60 | 16 |
| 8-SLR-173-M24*35 | 1.35 | 4 | 16 | 54 | 94 | 14 | 50 | 36 | 83 | 95 | 35 | 18 |
| 8-SLR-173-M24*40 | 1.38 | 4 | 16 | 54 | 94 | 14 | 50 | 36 | 83 | 100 | 40 | 18 |
| 8-SLR-173-M24*60 | 1.46 | 4 | 16 | 54 | 94 | 14 | 50 | 36 | 83 | 120 | 60 | 18 |
| 8-SLR-173-M27 | 4.18 | 4 | 16 | 73 | 106 | 17 | 68 | 41 | 120 | 120 | 38 | 27 |
| 8-SLR-173-M30 | 4.4 | 5 | 20 | 73 | 106 | 17 | 68 | 41 | 120 | 132 | 48 | 27 |
| 8-SLR-173-M30*70 | 4.52 | 5 | 20 | 73 | 106 | 17 | 68 | 41 | 120 | 154 | 70 | 27 |
| 8-SLR-173-M36*54 | 4.65 | 7 | 28 | 73 | 106 | 17 | 68 | 41 | 120 | 142 | 54 | 27 |
| 8-SLR-173-M36*70 | 4.8 | 7 | 28 | 73 | 106 | 17 | 68 | 41 | 120 | 158 | 70 | 27 |
| 4.65R-173-M36*62 | 7.6 | 8 | 32 | 94 | 140.5 | 22 | 86 | 55 | 156 | 163 | 62 | 31 |
| 8-SLR-173-M42*72 | 8.2 | 10 | 40 | 94 | 140.5 | 24 | 86 | 65 | 156 | 176 | 72 | 31 |
| 8-SLR-173-M42*63 | 12.4 | 15 | 40 | 104 | 155 | 24 | 95 | 65 | 176 | 179 | 63 | 40 |
| 8-SLR-173-M48*74 | 13.0 | 20 | 80 | 104 | 155 | 27 | 95 | 75 | 176 | 194 | 74 | 40 |