0PF | 0.16-2ml/r
10 séries de pompes hydrauliques à engrenage disponibles avec la cylindrée de 0.16-199ml/r
Pompe hydraulique à engrenage
La société GRH offre une large gamme de pompes à engrenage s’etendant jusqu’ à une série de 10 pompes et englobant une cylindrée de 0.16 à 199 ml/r pour répondre presqu’ à n’importe quelle exigence industrielle. La série OPF en particulier est adaptée aux utilisations spécialisées à cause de son design compact et efficient, lequel est approprié aux petits systèmes hydrauliques et aux tâches précises de lubrification.
Caractéristiques des pompes hydrauliques à engrenage OPF
- Disponibles avec une cylindrée allant de 0.16 à 2 ml/r, permettant les configurations à partir d’une unité simple aux assemblages complexes.
- Incluent une compensation automatique de jeu axial pour une performance constante et de haute qualité.
- Mécanisées par les équipements d’usinage CNC importés pour atteindre une précision supérieure.
- Fournissent une qualité fiable et une performance stable, lesquelles tiennent compte de nos strictes normes de l’excellence hydraulique.
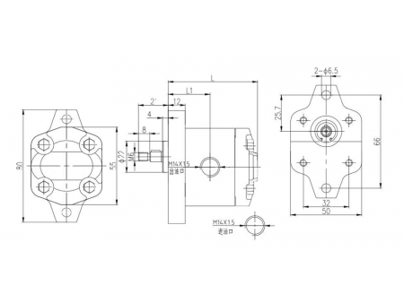
Dimensions (Pompe hydraulique 0PF-K)
Dimensions (Pompe hydraulique 0PF-L)
| Modèle | Cylindrée (ml/r) | Pression (bar) | Vitesse (tr/min) | L(mm) (mm) | SS | Entrée (mm) | |||
| Nominale | Pointe | Nominale | Max | Min | L1(mm) | ||||
| 0.16 | 200 | 250 | 2000 | 6000 | 800 | 58.2 | 30.8 | G1/4 | |
| 0.25 | 200 | 250 | 2000 | 6000 | 800 | 59 | 31.3 | ||
| 0.38 | 200 | 250 | 2000 | 6000 | 800 | 60.3 | 31.9 | ||
| 0.5 | 200 | 250 | 2000 | 6000 | 800 | 61 | 32.3 | ||
| 0.75 | 200 | 250 | 2000 | 6000 | 800 | 63.5 | 33.5 | ||
| 1 | 200 | 250 | 2000 | 6000 | 800 | 66 | 34.8 | ||
| 1.25 | 200 | 250 | 2000 | 5000 | 800 | 68.5 | 36 | ||
| 1.5 | 200 | 250 | 2000 | 4500 | 800 | 70 | 37 | ||
| 1.75 | 200 | 250 | 2000 | 4000 | 800 | 73 | 38.3 | ||
| 2 | 160 | 200 | 2000 | 3500 | 800 | 75.5 | 39.5 | ||
La série OPF des pompes à engrenage est largement utilisée dans les micro systèmes hydrauliques. Leur petite dimension et poids léger les rendent parfaites pour ces applications précises. Leur faible étendue de la cylindrée fait d’eux un choix populaire pour les systèmes de circuit de lubrification. Faisant partie intégrante de plusieurs machines telles que les nacelles élévatrices, les plateformes élévatrices, les moissonneuses, les tracteurs et les rouleaux compresseurs, ces pompes soulignent notre engagement à l’excellence hydraulique. Pour les cas d’utilisation détaillée, regardez les applications suivantes:

